产品分类
新闻推荐
天行在线平台(中国)官网

天行在线平台(中国)官网

地  址:江苏省启东市和平南路199号
电  话:13306282819
客  服:0513-83117726
传  真:0513-83117726邮  箱:ntjr2010@126.com
网  址:www.patientbillingsoftware.com

天行在线平台(中国)官网PRODUCT CENTER
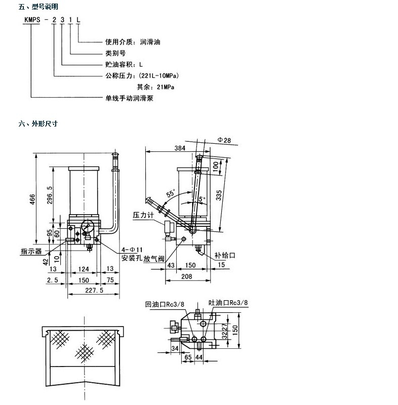
KMPS系列单线手动润滑泵(21MPa、10MPa)
2017-7-24 点击:3640

2.JPG3.JPG5.JPG6.JPG