产品分类
新闻推荐
天行在线平台(中国)官网

天行在线平台(中国)官网

地  址:江苏省启东市和平南路199号
电  话:13306282819
客  服:0513-83117726
传  真:0513-83117726邮  箱:ntjr2010@126.com
网  址:www.patientbillingsoftware.com

天行在线平台(中国)官网PRODUCT CENTER
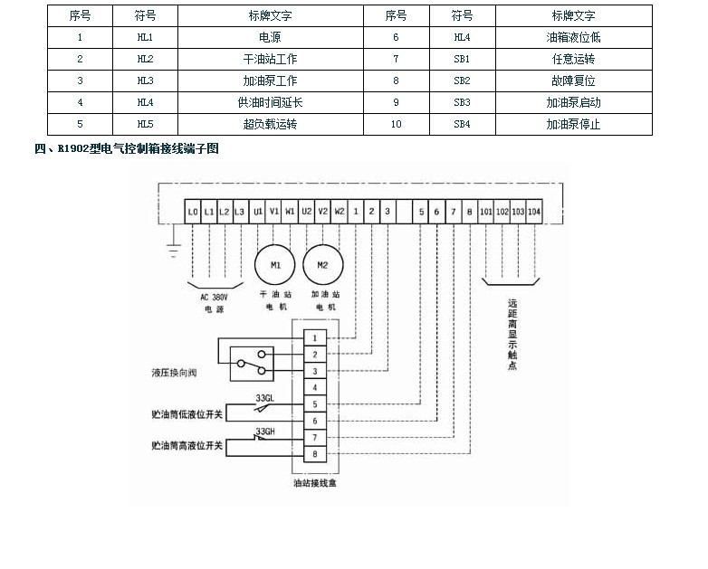
R1902型电气控制箱(20MPa)
2017-7-24 点击:1552

2.JPG3.JPG